Analog Output Laser Displacement Sensor - LDSXAX
The LDSXAX Laser Displacement Sensor is a high-precision device based on CMOS sensing and triangulation technology, offering up to 0.01 mm resolution and a 1.5 ms response time. It provides both Switching and Analog Outputs, supporting multiple modes such as Standard Detection, Window Comparison, and Differential Measurement to ensure accurate distance and position evaluation in diverse conditions. Users can also adjust settings like Response Speed, Hysteresis, Delay, Eco Mode, and Reset for optimized performance. With its compact design, exceptional precision, and flexible output options, the LDSXAX is ideal for automation, quality inspection, and precision positioning applications.
Functions
- Digital Display, Indicators, Control Panel
- Detection Modes: Standard Detection, Window Comparison, Rising & Falling Edge Differential
- External Inputs: Zero Reset, Teaching, Laser OFF, Trigger
- Output Types: Switching Output and Analog Outputs
- Other Functional: Response Speed, Tolerance, Delay, Eco Mode, Reset
Technical Information
| Meas. Center Distance | 30mm | 50mm | 100mm | 200mm | 400mm |
| Meas. Range | ±5mm | ±15mm | ±35mm | ±80mm | ±200mm |
| Repeatability | 10µm | 50µm | 100µm | 200µm | 400µm 800µm |
| Linearity Error | ±0.2% F.S. | ±0.2% F.S. ±0.3% F.S. |
|||
| Temperature Stability | 0.03% F.S./°C |
||||
| Response Time | 1.5ms / 5ms / 10ms (adjustable) |
||||
| Wave Length | 655nm | ||||
| Beam Diameter | φ50µm |
φ100µm |
φ150µm |
φ300µm |
φ500µm |
| Maximum Pulse Power | <1mW | ||||
| Laser Safety | Class 2 |
||||
| Switching output | NPN Type or PNP Type depending on model | ||||
| Analog output | Voltage output and Current output (selectable) | ||||
| External Input | NPN / PNP Contactless Input | ||||
| Power Supply | 12~24V DC | ||||
| Power Consumption | <40mA @ 24V DC, <60mA @ 12V DC | ||||
| Dimensions | 25 x 20 x 44 mm | ||||
| Cable | φ4.0 mm composite cable, 2m | ||||
| Weight | ≤1.5W | ||||
| Dimension | 25 × 26 × 13 mm | ||||
| Weight | ~35 g (without cable), ~85 g (incl. cable) | ||||
| Operating Temperature | -10°C ~ 40°C (non-condensing) | ||||
| Storage Temperature | -20°C ~ 60°C | ||||
| Operating Humidity | 35~85% RH | ||||
| SOperating Ambient Light | ≤ 3000 lux on receiving surface (Incandescent lamp) | ||||
| Operating Altitude | ≤ 2000m | ||||
| Protection class | IP67 | ||||
Operation Panel and Pin Assignment

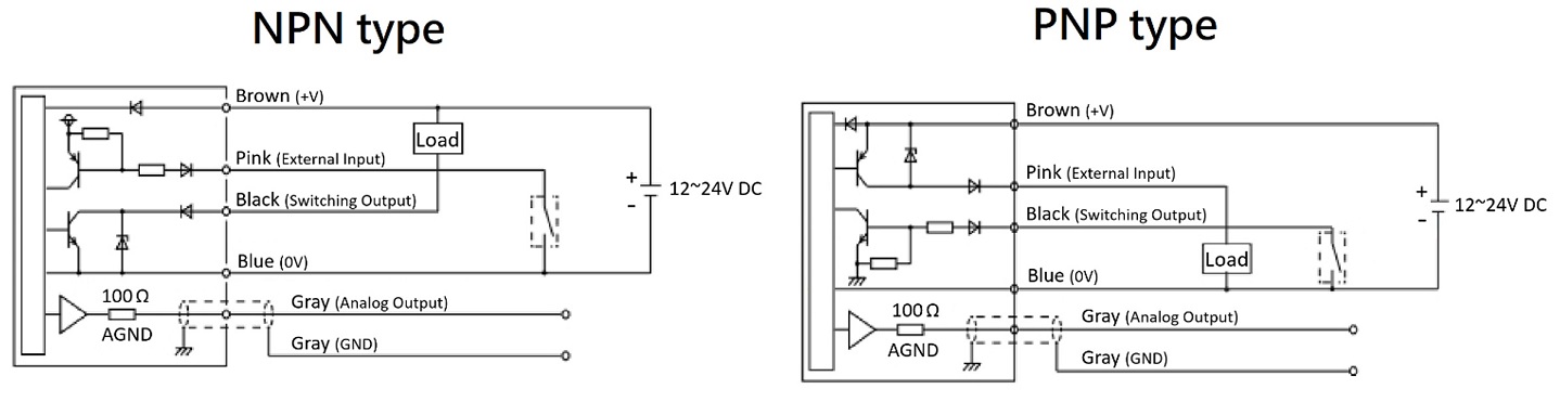
Wiring Diagram

Packing List
- Laser Displacement Sensor x1
- Installation Kit (Bracket ×1, Back Plate ×1, Screws ×2)

Note:
For customization or mass production purchases, please
contact us.
- Deliver Time: Available, 7~21 Days
- Product ID: LDSXAX
Available Options
| Note:
We also support custom made service as your requirements. For more details, please contact us. |